Descripción
El sistema CIP 100% automático, puede limpiar y esterilizar en sistema cerrado sin necesidad de desmontaje. Se usa principalmente en la fermentación biológica y en la industria farmacéutica. También puede usarse en las industrias productoras de bebidas, productos lácteos, zumos, cerveza y azúcar.
Limpieza automática
El sistema CIP es un sistema central integrado. Cuenta con un indicador de conductividad y un sistema de control PLC, que le permite la limpieza directa.
Limpieza rápida
El sistema CIP puede limpiar más de dos áreas a la vez y puede producir al mismo tiempo. Gracias a lo cual el tiempo de limpieza se reduce drásticamente.
Componentes
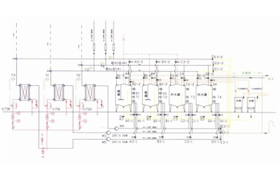
Tanque de inyección de agua
Tanque CIP
Termocambiador de placas
Filtros de tubería y distribuidores
Bomba de alimentación, bomba de retorno, bomba de refuerzo, medidor de pH
Control de temperatura, sensores de nivel, indicador de conductividad
Control panel for the programmed control by PLC and control cabinet.
Tuberías y válvulas
Especificaciones
50L-5000L
Detalles
Materias primas
Para cumplir con los estándares GMP y FDA, utilizamos el acero inoxidable 316L y 304.
Tratamiento de superficies
La parte interior del tanque es de acabado por electropulido Ra≤0.4μm, mientras que la superficie exterior es de acabado de espejo o mate.
Sistema de control
El sistema PLC puede controlarse mediante la pantalla táctil y puede comprobar, grabar e imprimir el tiempo de lavado, flujo de lavado, y conductividad de cada uno de los procesos. También ayuda a que la temperatura y concentración de la loción sea uniforme durante el limpiado.
Tanque de limpiado
NJR tiene un tipo distinto de tanque para cada agente de limpiado.
①Tanque ácido: utilizamos agentes limpiadores de ácido para eliminar el calcio, sal, aceite mineral y otros restos.
②Tanque alcalino: mediante la saponificación del agente limpiador de base se eliminan lípidos y proteínas.
③Tanque esterilizado: el agente bactericida puede eliminar todos los microorganismos. Deja de ser tóxico al diluirse y se ve afectado por la dureza del agua.
Circulación externa
Reduce drásticamente el coste energético.
Sistema de recuperado de agua
It can reduce the amount of water used by CIP system
Termocambiador de placas
Calienta el limpiador.
Bomba de alimentación
Transporta el limpiador a través de las tuberías y el equipo.
Certificados
GMP
TSG-2016 Supervision Regulation on Safety Technology for Stationary Pressure Vessel